安博平台集团
OA
邮箱
搜索
Search
CN
CN
EN
首页
关于安博平台
集团概况
组织架构
生产基地
荣誉资质
企业文化
发展历程
成员企业
新闻中心
集团动态
业务动态
企业活动
产品中心
安博(中国)官方网站
离心机
发电机
锅炉
压力容器
安博平台党建
党委简介
党建动态
招标公告
工程招标
采购招标
资产处置
中标公告
企业招聘
安博(中国)官方网站
close
首页
关于安博平台
集团概况
组织架构
生产基地
荣誉资质
企业文化
发展历程
成员企业
新闻中心
集团动态
业务动态
企业活动
产品中心
安博(中国)官方网站
离心机
发电机
锅炉
压力容器
安博平台党建
党委简介
党建动态
招标公告
工程招标
采购招标
资产处置
中标公告
企业招聘
安博(中国)官方网站
close
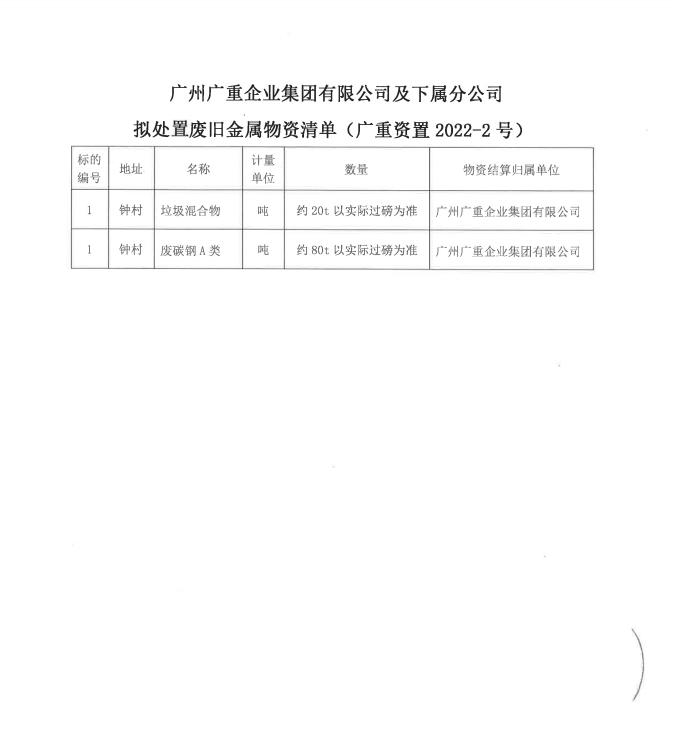
废碳钢A类及垃圾混合物处置(安博平台资置2022-2号)
浏览:3244次
发布时间:2022-03-25
上一篇
返回
下一篇
在线咨询
联系电话
020-31177633
售后服务
返回顶部
好博(中国)体育·官方网站
|
od体育在线(中国)官方网站
|
安博注册
|
安博线上平台
|
安博手机端_安博(中国)
|
安博电子官方网站
|
开云电子
|
安博首页_安博(中国)
|
米兰体育线上平台
|